上がSV-3(ラインプリ)、下がSV-6(Phonoイコライザー)
どちらも2007年8月に購入。

※ SV-3は2022年現在でも主力のプリアンプとして使っています。
真空管プリアンプ
むずかしいプリアンプ選び
真空管プリアンプを選ぶのは思いのほか難しいものです。
キットでは、エレキット、サンバレー、トライオードなど種類が限られてしまい、メーカー製ではLUXの中古が一般的になります。
これ以外は、マランツ、マッキントッシュなどのヴィンテージものは別として、手頃な選択肢がないのが実情です。
SV-3 Ver.2(サンバレー・キット屋)
SV-3は、2007年7月に完成品を入手したものです。
パネルはステンレス製で、ボリューム、トーン、セレクタのみの飾り気のないシンプルな外観です。
このプリアンプにはPhonoイコライザーがなく、別に用意する必要があります。キットメーカーの製品はアクセサリーが全く付いていません。
このアンプも、入力3系統、出力2系統のみで、レコードプレーヤー、CDプレーヤー、オープンデッキ、FMチューナーをつなぐと入力端子が不足します。
初めは十分と思っても、機器が増えてくると入力系が不足することに留意しておく必要があります。この点、メーカー製は十分なアクセサリー端子があるので、不足することはありません。
キットは楽しいけれど、もう若くない目には細かな組み立て作業はまさに苦業です。程度の良い完成品をねらったのは正解でした。
A505と較べると双3極管が2本だけのシンプル過ぎるほどの回路構成で、少し物足りなさを感じます。価格は、2008年の改訂で現行の完成品は7万円にもなってしまいました。

CR類はプリント基板ではなく手配線されています。左の基盤は電源基盤です。
SN比は確かにLUX A505より良く感じました。とても滑らかでしっかりした感じの音です。さっぱりしすぎの感があります。もう少しコクがあって欲しいところです。
音質は価格以上の十分なレベルですが、サンバレーはさっぱりした味、LUXは濃いまったりした味わいで、これが好みに合えばいいのですが、マッキントッシュなどのヴィンテージの味を一度でも知ってしまうと随分もの足りなく思えます。
どちらもさすがにまねのできない良い音です。製品化されて50年近く経ってもなお人気が衰えないばかりか、価値は上がる一方です。でも、ヴィンテージは数十万円しますし、良いものに出会えるかどうかは運しだいです。
現実的には、カートリッジをオルトフォンSPUにすることでも随分とまろやかな上質の音になります。
また、サンバレーSV-722(マランツ7タイプ、マッキンC22タイプ)は、見た目はオリジナルとは全く異なりますが、レプリカ的モデルとしては魅力です。

SV-722 サンバレーのWebから引用させていただきました。
新しいアンプを選ぶ
オーディオシステムは、プリアンプを中心に考えることが合理的かも知れません。
レコードプレーヤー、カートリッジ、スピーカーなどは色々と替えて聴きたくなります。パワーアンプでさえKT-88やEL34を聴きたくなります。
ところがプリは前述のとおり選択肢がとても少ないのです。あれこれと試すくらいなら、マッキンC22など、本当に良いものを中心に据えて、まわりの機器を替えて楽しむことが現実的だと思うのです。
それと、ヴィンテージものは程度が良くても電気的には極めて古い製品です。
モーター、スピーカーは動作すれば大丈夫ですが、アンプはすべての部品に必ず劣化が生じていることを認識しておかなければなりません。
特に高圧がかかるトランスの絶縁劣化、大容量ケミコンの容量抜けや絶縁劣化は火災に結びつきかねません。
ヴィンテージにこだわるユーザーはオリジナル性を重要視しますので、部品の交換をしたがらないものです。
それならあっさりと最新のメーカー製品を購入して、真空管の差し替えなどで自分の音を作り上げていく方がはるかに楽しいものです。
ただ、最近の製品をというのはアンプに限ります。私は、最近の中口径ユニットを使用したトールボーイスタイルのスピーカーがどうしても好きになれません。
スピーカーに限っては程度の良いヴィンテージに限りない魅力を感じています。
プリの入力は、Phono、CD、TAPE、TUNEの4系統は最低でも見ておいた方がいいでしょう。
CDも不要とは言い切れません。盤によってはなかなかの名演奏がありますし、オープンテープに録音することでよいアナログソースを作ることができるからです。
TAPEとはオープンテープデッキを指します。中古市場をずっと見ていると、オープンデッキの人気が右肩上がりで高まってきているのを感じます。
TUNEとはFMチューナーのことですが、必ずしもFMでなくても、ミュージックバードなどのデジタルラジオチューナーも含めてとらえます。
できればTAPEモニター端子があると、テープ録音時に録音した内容を同時モニターできます。
シンプルな2段フラットアンプ CR型トーンコントロール
SV-3は、双3極管6DJ8を2本使用したシンプルなフラットアンプで、セレクターとCR型トーンコントロールのためのアンプみたいなものです。
トーンコントロールはOFFにできません。私は、トーンコントロールを触ることはないので、なくてもかまわないのですが・・・。
トランスの品質云々をいう人がいますが、中古に出回る数が少ないというのは、購入したユーザーは満足しているという証拠なのではないでしょうか。
SV-3は付属装置が何にもありません。本当に必要最小限の機能だけです。本体はかなり熱くなります。前面パネルも天板も、何とか触れられる程度まで熱くなるので、周囲は通風を良くしておくことが大切です。

(画像はサンバレーWebページから引用させていただきました)
画像中央が2系統の出力端子 右側が3系統の入力端子
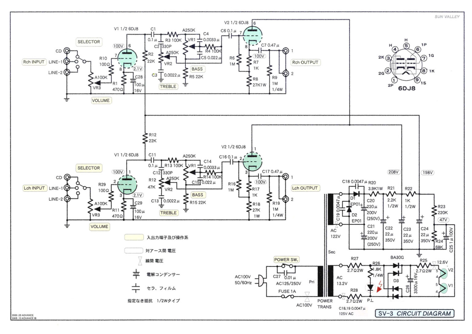
回路図

TESLA E88CC
さっぱりしすぎの音にコクを出したいために、6DJ8をTESLA E88CCに交換しました。
チェコ製E88CCは1本2,800円でキット屋から通販で購入したものです。
約1カ月のエージングを行ったところ、細かなニュアンスもよく聞こえるようになり、マッキンC22とまではいかないもののよく似た傾向の満足できる音になっています。
真空管によって音の傾向がかなり変わります。このE88CCはお薦めです。
キット屋推薦のTESLA E88CC チェコ製

オリジナルの6DJ8 旧ユーゴ製

<参考データ>
入力:3系統 CD、LINE1、LINE2 (Phonoなし)
出力:2系統
周波数特性:30Hz~70kHz
サイズ:幅286×奥行き230×高さ77(mm)
重量:2.6kg


コメント